Nombre Parcourir:178 auteur:Éditeur du site publier Temps: 2024-05-16 origine:Propulsé
Matériel
1.4112 (S46990, S44003, SUS440B, X90CRMOV18)
Composition chimique
C: 0,85 ~ 0,95%; Si: ≤1,0%; MN: ≤1,0%; P: ≤0,04%; S: ≤0,015%; CR: 17 ~ 19%; MO: 0,9 ~ 1,3%; V: 0,07 ~ 0,12%; FE: équilibre
Propriétés des matériaux
Densité: 7,7 g / cm³; Force de traction: 590MPA; Force d'élasticité: 245 MPA; allongement: 15%; dureté HBW: 269; Exigence et dureté de la dureté: 55hrc.

Comportement mécanique
1.4112 est un acier inoxydable martensitique à haute teneur en carbone. Ses propriétés mécaniques comprennent principalement la résistance, la dureté, la ténacité, etc. En raison de sa teneur élevée en carbone et en chrome, ce type d'acier a une résistance et une dureté élevés et peut résister à une pression et à l'usure plus importantes. Dans le même temps, en raison de sa bonne ténacité, ce type d'acier n'est pas facile à adopter et peut être utilisé dans des environnements plus complexes. Résistant à la corrosion de l'atmosphère légère, de la vapeur d'eau douce, de l'ammoniac, de nombreux produits pétroliers et matières organiques et une variété d'environnements faiblement acides. La température de recuit est très basse et la dureté après l'extinction est élevée. La dureté atteint généralement HRC56-58. Il a une bonne résistance à la corrosion (magnétique) et une forte ténacité.
Zones de candidature
Étant donné que le 1,4112 en acier inoxydable a une excellente résistance à la corrosion et des propriétés mécaniques, il est largement utilisé dans le pétrole, l'industrie chimique, l'ingénierie maritime, les automobiles, les aliments et autres domaines. Dans les industries du pétrole et des produits chimiques, en raison de son excellente résistance à la corrosion, il est utilisé pour fabriquer des réacteurs, des pipelines et d'autres équipements. Dans le domaine de l'ingénierie maritime, il est utilisé pour fabriquer des parties clés des navires et des plates-formes offshore. Dans le champ automobile, il est utilisé pour fabriquer des composants tels que les systèmes d'échappement et les attaches. Dans le champ alimentaire, il est utilisé pour fabriquer des équipements de cuisine et des équipements de transformation des aliments en raison de ses bonnes propriétés hygiéniques.
Performance de traitement
Les propriétés de processus de 1,4112 en acier inoxydable comprennent principalement les propriétés de soudage, de traitement thermique et de traitement. Ce type d'acier a de bonnes performances de soudage et peut être soudé à l'aide de diverses méthodes de soudage. Le traitement thermique peut améliorer ses propriétés mécaniques et sa résistance à la corrosion, mais il faut prendre soin de prévenir les fissures ou la déformation causées par la surchauffe ou le refroidissement excessif. Il a de bonnes performances de traitement et peut être utilisé pour les opérations de virage, de fraisage, de forage, de taraudage et d'autres opérations de traitement. Ses inconvénients sont qu'il est collant et se réchauffe rapidement, mais il est plus facile à poncer que n'importe quel acier au carbone et est beaucoup plus facile à couper avec une scie à main.
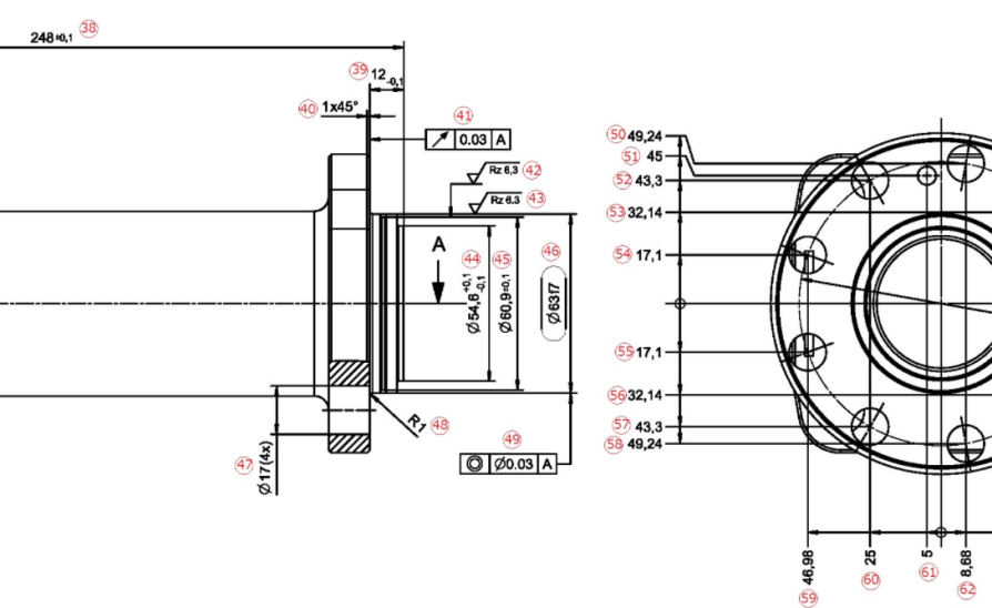
Exigences de traitement des pièces

La précision de traitement la plus élevée est de 0,03 mm, la douceur la plus élevée est RZ1UM et la concentricité de toutes les surfaces circulaires externes est à 0,03 mm.
Traitement
Coulage: en utilisant une température moyenne de cire perdue de précision de cire de précision.

Usinage: Le tour contient une extrémité de la pince à griffe, coopère avec le cadre central, traite le cercle extérieur comme référence de précision, puis traite le trou intérieur, effectue un virage rugueux et un virage fin pour traiter les surfaces intérieures et extérieures, et finir de tourner les cercles extérieurs et les faces d'extrémité des deux extrémités.
Processus d'usinage détaillé
1. RETUPTER LE TROU INTÉRIEUR D'UNIÈRE DEUX SIDE. Usinage rugueux deux côté (taille 10,15,16,20,27,28,30,35,36,37,38) et toute la surface de l'extérieur;

2.clamez le côté gauche et maintenez la surface OD. Usinage du côté droit et des trous à l'intérieur. Taille d'usinage rugueuse n ° 27 --- 45. Taille d'usinage de finition n ° 72;

3.Clampe du côté droit, et maintenez la surface OD, usinage rugueux du côté gauche, taille rugueuse de l'usinage n ° 9,10,11,12,13,14,15,16,20,21 et 57—64;

4. RETENU DU TRO DE L'INTÉRIEUR DU côté droit, c'est la base A. Tenez la pièce du trou côté gauche. Faites l'usinage final des deux côtés. Taille d'usinage n ° 9, 10-16,20,21. Et 23-45;

5.CNC Usinage des trous, fil des deux côtés;
6. Machining Taille no. 2,4,6,8. 46-56.
Broyage et polissage: réserve 0,05 mm pour l'allocation de traitement des broyeurs, broyage interne + rambin.
Traitement thermique: recuit, refroidissement lent à 800 ~ 920 ℃; Exigence, refroidissement à l'huile à 1000 ~ 1050 ℃; Tempérant, 200 ~ 300 ℃; 96h extinction et trempage du traitement thermique.
Rapport de matériel

Test de CMM

Test de pression
